ISPD 2017 Contest : Clock-Aware FPGA Placement

Clock Legalization

  1. Number of global clocks in each clock region is at most 24 clocks.
  2. Within each clock region, each half column has at most 12 clocks.
  3. Each clock region has enough resources to accommodate all clock loads assigned to that region.
  4. All loads of each clock should be constrained to a rectangular area consisting of one or more clock regions. Note: for any clock region in this rectangular area, this clock is counted as one of 24 clock usages (Rule 1), even there is no load in this clock region


Slice Packing & Legalization

Please refer to the design.scl that was released along with the sample benchmark, for a better idea of the resources available for placement. Here's the relevant snippet on Slice:

SITE SLICE
  LUT 16
  FF 16
  CARRY8 1
END SITE
	  
Every Slice in the UltraScale architecture contains 16 LUTs and 16 FFs.
  • LUT Packing

    Please keep in mind that these 16 LUTs within SLICE are conceptual LUTs that can only be fully used under certain conditions:
    • If you're implementing a 6-input LUT with one output, you can only use LUT 1 (leaving LUT 0 unused) or LUT 3 (leaving LUT 2 unused) or ... or LUT 15 (leaving LUT 14 unused)
    • If you're implementing two 5-input LUTs with separate outputs but common inputs, you can use {LUT 0, LUT 1} or {LUT 2, LUT 3} or ... or {LUT 14, LUT 15}
    • The above rule of coming LUTs with separate outputs but common inputs, holds good for 5-input LUTs (as mentioned above) or fewer input LUTs as well
    • If you're implementing two 3-input (or fewer input) LUTs together (irrespective of common inputs), you can use {LUT 0, LUT 1} or {LUT 2, LUT 3} or ... or {LUT 14, LUT 15}
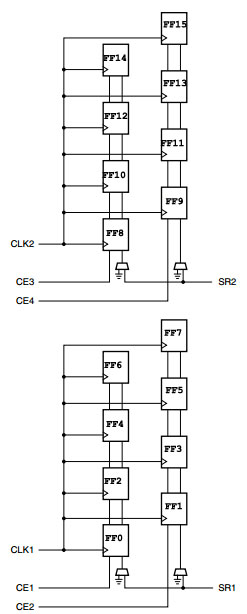
  • FF Packing

    There are 16 FFs per SLICE (two per LUT pair), and all can be used fully under certain conditions:
    • All FFs can take independent inputs from outside the SLICE, or outputs of their corresponding LUT pair (FF 0 can take LUT 0 or LUT 1 output as input, ..., FF 15 can take LUT 14 or LUT 15 output as input)
    • All can be configured as either edge-triggered D-type flip-flops or level-sensitive latches. The latch option is by top or bottom half of the SLICE (0 to 7, and 8 to 15). If the latch option is selected on a FF, all eight FFs in that half must be either used as latches or left unused. When configured as a latch, the latch is transparent when the clock input (CLK) is High.
    • There are two clock inputs (CLK) and two set/reset inputs (SR) to every SLICE for the FFs. Each clock or set/reset input is dedicated to eight of the sixteen FFs, split by top and bottom halves (0 to 7, and 8 to 15). FF pairs ({0,1} or {2,3} or ... or {14,15}) share the same clock and set/reset signals. The clock and set/reset signals have programmable polarity at their slice inputs, allowing any inversion to be automatically absorbed into the CLB.
    • There are four clock enables (CE) per SLICE. The clock enables are split both by top and bottom halves, and by the two FFs per LUT-pair. Thus, the CEs are independent for: {FF 0, FF 2, FF 4, FF 6} , {FF 1, FF 3, FF 5, FF 7} , {FF 8, FF 10, FF 12, FF 14} , {FF 9, FF 11, FF 13, FF 15}. When one storage element has CE enabled, the other three storage elements in the group must also have CE enabled. The CE is always active High at the slice, but can be inverted in the source logic.
      For FFs without any net connections to CE pin, vivado software automatically inserts a constant 1, so please do not combine them up with other FFs that have their CE pins connected
    • The two SR set/reset inputs to a SLICE can be programmed to be synchronous or asynchronous. The set/reset signal can be programmed to be a set or reset, but not both, for any individual FF. The configuration options for the SR set and reset functionality of a register or latch are: No set or reset, Synchronous set (FDSE primitive), Synchronous reset (FDRE primitive), Asynchronous set (preset) (FDPE primitive), Asynchronous reset (clear) (FDCE primitive). The SR set/reset input can be ignored for groups of four flip-flops (the same groups as controlled by the CE inputs). When one FF has SR enabled, the other three FFs in the group must also have SR enabled.
    • The choice of set or reset can be controlled individually for each FF in a SLICE. The choice of synchronous (SYNC) or asynchronous (ASYNC) set/reset (SYNC_ATTR) is controlled in groups of eight FFs, individually for the two separate SR inputs.
    Some of the FF Packing rules are better illustrated in the figure below:
More detailed information on Slice Packing & Legalization can be found online at: http://www.xilinx.com/support/documentation/user_guides/ug574-ultrascale-clb.pdf